P.W.M. 4-Q amplifier for DC-motors

MTR* 60/12-30, MTR* 150/8-20
(Series 700/1200)
(Series 49...)

* This amplifier is also known under these names: STR...; TR 8-150V; 49TR 150-08-B; LCT612 (60/12); TR 12-60V. Sold by Bosch, AEG, Seidel, Jutronik, Servalco, Mattke.

Spare Parts / Replacement parts for Göckel / Gockel / Goeckel Grinding Machines.

Technical data

MTR 60/12-30

MTR 150/8-20

Nominal voltage

60V

150V

Nominal current

12A

8A

Pulsed current

30A

20A

Recommended secondary voltage of transformer

52V AC

120V AC

Minimum load inductance

0.9mH

3.5mH

Auxiliary voltage external additional circuit

±15V / 20mA

Elementary frequency

9.5kHz

Maximum ambient temperaure

45°C

Maximum temperature of dissipator

90°C

Maximum tacho voltage

±100V DC

Heat dissipation

convection

Fitting position

starting plate horizontal

Weight

approx. 2kg

Article code

RMTR060/12

RMTR150/08

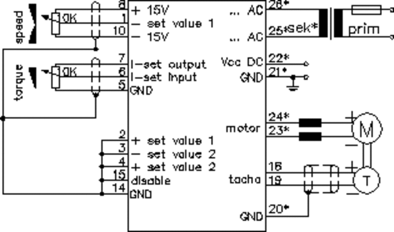
Dimensions / Test circuit

  • Dimension: MTR 60/12-30; MTR 150/8-20
  • Test circuit: MTR 60/12-30; MTR 150/8-20
Inputs set value 1+2, tacho, current set value, disable
Outputs ready for operation, motor current output monitor, I²t-information, motor connection
Adjustments set value 1+2, tacho, offset, gain, pulsed current, actual current, EMF, IxR
LED-information ready for operation, I²t-information, over current
Built-in checking intermediate circuit voltage, output current, temperature of dissipato
Options -
Suitable accessories toroidal transformer, chokes
Included in delivery amplifier, manual


Operation modes: tacho-, IxR-mode control selection can be made by soldering bridge.