4Q-PWM-Servoregler für DC-Motoren Serie MTRG für 19"-Technik

MTRG 25/2D

Technische Daten

 

MTRG  25/2D 

Nennspannung

24V DC

Nennstrom

2A

Hilfsspannung für ext. Zusatzschaltungen

±10V / 3mA

Versorgungsspannungsbereich

20-33V DC

Frequenz zwischen den Ausgangsklemmen

17kHz

max. Betriebsumgebungstemperatur

+45°C

max. zulässige Kühlkörpertemperatur

+90°C

Mindestlastinduktivität

keine

max. zulässige Tachospannung

±73V DC

Wärmeableitung

Konvektion

Einbaulage

vertikal

Gewicht

0,32 kg 

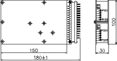
Abmessung B x H x T in mm

100 x 30 x 160

Artikel-Nummer

 

MTRG 25/2 D - Doppelregler:

1 Europakarte mit 2 getrennten, getakteten Reglern

RMTRG025/02D

Eingänge

  • Sollwert-Differenzeingang
  • Tacho
  • Strom-Sollwert
  • Disable


Ausgänge

  • Motoranschluß


LED-Anzeigen

  • Überstrom / Disable


Eingebaute Überwachungen

  • Ausgangsstrom
  • Zwischenkreisspannung


Einstellmöglichkeiten

  • Sollwert-Eingang
  • Tacho
  • Offset
  • Verstärkung
  • EMK

Maßzeichnung / Eingangsprüfschaltung

  • Maßzeichnung MTRG 25/2D

  • Eingangsprüfschaltung MTRG 25/2D

 

* Wichtiger Hinweis:
Die Zuleitungen zum Tacho, den Sollwerteingängen und sonstigen Bedienungselementen, müssen abgeschirmt sein. Der Mindestdrahtquerschnitt sollte gemäß VDE 700 ausgewählt werden.

Zubehör


inclusive Gegenstecker, Bedienungsanleitung
Passendes Zubehör 
  Ringkerntransformator, Frontplatte, Steckkartenhalter


Tacho-, IxR- oder Stromregler-Betrieb über Steckbrücken wählbar.