Glockenanker-Servomotoren mit eisenlosem Rotor

Serie 2657, 3257, 3557, 3863H - von 0,044 bis 0,110 Nm

  • Glockenanker Servo-Motoren der Serie 2657, 3257, 3557, 3863H
    Foto: Faulhaber

Technische Daten

Motortyp

Mn
Nm

Nn
Upm

Un
V

In
A

Ke
V/1.000
Upm

Kt
Nm/A

R
Ohm

L
mH

J
kgcm²

Artikel-Nummer

2657/...CR

012CR

0,044

5.300

12

3,10

1,810

0,017

0,71

0,095

0,016

M2657N012CR

024CR

0,044

5.400

24

1,54

3,650

0,034

2,84

0,380

0,017

M2657N024CR

3257/...CR

012CR

0,070

4.900

12

4,60

2,000

0,019

0,41

0,070

0,042

M3257G012CR

024CR

0,070

5.100

24

2,30

3,950

0,037

1,63

0,270

0,041

M3257G024CR

3557/...C

006C

0,040

3.100

6

3,40

1,250

0,012

0,60

0,065

0,036

M3557K006C

012C

0,040

3.100

12

1,70

2,450

0,023

2,40

0,230

0,030

M3557K012C

024C

0,040

3.000

24

0,81

4,900

0,048

10,50

0,940

0,027

M3557K024C

3557/...CS

012CS

0,050

4.000

12

2,26

2,190

0,021

1,34

0,220

0,052

M3557K012CS

024CS

0,050

3.900

24

1,10

4,300

0,042

5,50

0,850

0,049

M3557K024CS

048CS

0,050

3.700

48

0,54

9,050

0,083

23,00

3,400

0,052

M3557K048CS

3863H/...C

012C

0,110

5.900

12

7,60

1,760

0,017

0,16

0,030

0,110

M3863H012C

024C

0,110

6.100

24

3,80

3,490

0,033

0,62

0,130

0,110

M3863H024C

048C

0,110

6.100

48

1,90

7,050

0,067

2,47

0,500

0,110

M3863H048C

Andere Spannungen auf Anfrage.
Die Nennwerte setzen eine sehr gute Kühlung des Motors (konstante Wicklungstemperatur 22°C) voraus.
Alle Motor-Tachogenerator-Kombinationen sind auch mit optischem Impulsgeber HEDS 5500, 5540 lieferbar.


Passende Getriebe  KEMA300 / RD30 oder Serie PG30 / PG38
Passender Tacho T 505
Passende Regler MAR 24/3; MAR 25/2; MTRG 25/2 E oder MTRF 25...61/5-15

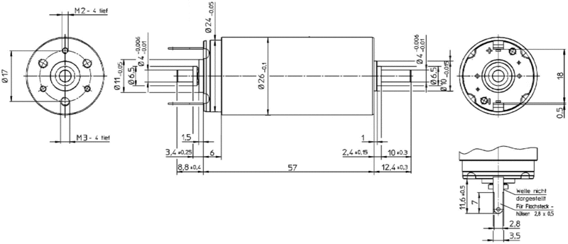
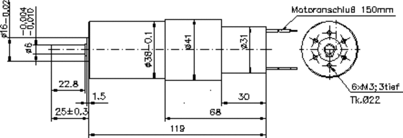
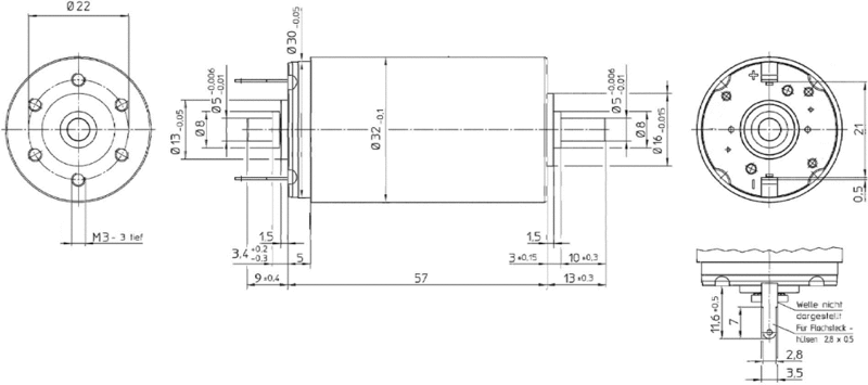
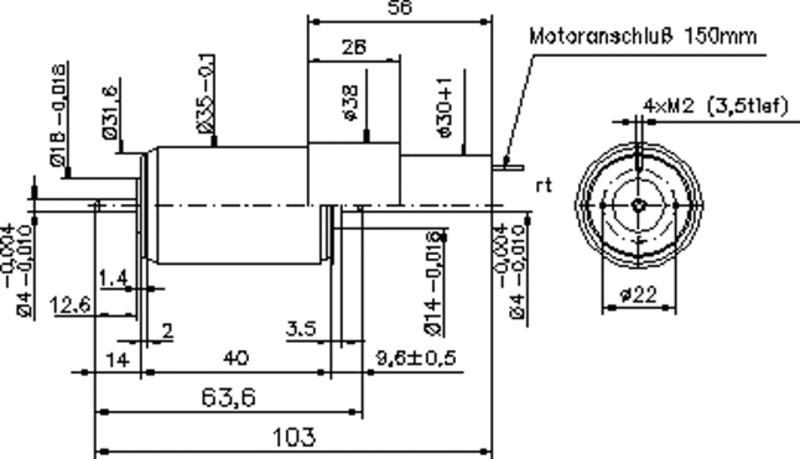
Maßzeichnungen

  • 2657
  • 2657 + T 505
  • 3257
  • 3557 + T 505
  • 3863H
  • 3863H + T 505