Disk armature motors

Series F+ and MC from 0.34 to 19.20 Nm

  • Disk armature servo motors series F+ and MC
    Disk armature motors F and MC

Technical data

 

 

Motortype

Mn
Nm

Nn
Upm

Pn
W

Un
V

In
A

Ke
V/1.000
rpm

Kt
Nm/A

R
Ohm

L
mH

J
kgcm²

tm
ms

Fa
N

Fr
N

m
kg

F9M4
F9M4H
F9M4R

0,346
0,537
0,140

3.000
3.000
4.800

108
168
70

26
35
22

6,70
6,50
6,40

6,20
9,20
3,10

0,059
0,088
0,030

1,10
1,10
1,10

<0,100
<0,100
<0,100

0,35
0,34
0,35

10,20
4,50
39,60

25
25
25

140
140
140

2,30
2,80
1,10

F12M2
F12M4
F12M4H
F12M4R

0,610
0,770
1,100
0,420

3.000
3.000
3.000
4.800

190
240
345
210

24
43
61
37

11,70
7,70
7,20
8,00

6,00
12,00
18,00
6,20

0,057
0,115
0,172
0,059

0,47
0,93
0,93
0,93

<0,025
<0,100
<0,100
<0,100

1,05
1,50
1,60
1,50

14,00
10,00
4,70
37,60

25
25
25
25

140
140
140
140

3,85
3,85
5,00
2,90

MC13S
MC17B
MC17H
MC19B
MC19P
MC19P*
MC19S
MC19S*
MC23S(23AS)
MC23S*(23AS*)
MC24P
MC24P*
MC27P
MC27P*

1,270
1,200
1,720
2,230
3,200
5,100
3,200
5,100
6,100
10,500
7,300
14,300
14,300
19,200

3.000
3.200
3.000
3.000
3.000
3.000
3.000
3.000
3.000
3.000
3.000
3.000
3.000
3.000

400
400
540
700
1.000
1.600
1.000
1.600
1.900
3.300
2.300
4.500
4.500
6.000

65
24
104
23
83
87
164
171
170
178
135
142
152
154

8,00
24,00
6,70
37,00
14,40
22,20
7,20
11,10
13,00
21,80
19,80
36,00
33,00
44,00

17,50
6,00
30,00
7,00
25,50
25,50
51,00
51,00
53,00
53,00
43,50
43,50
48,30
48,30

0,167
0,057
0,286
0,067
0,244
0,244
0,488
0,488
0,506
0,506
0,415
0,415
0,461
0,461

1,50
0,18
1,80
0,05
0,46
0,46
1,60
1,60
0,90
0,90
0,29
0,29
0,20
0,20

<0,080
<0,100
<0,200
<0,003
<0,100
<0,100
<0,400
<0,400
<0,250
<0,250
<0,100
<0,100
<0,100
<0,100

2,35
7,90
7,90
10,00
10,00
10,00
10,00
10,00
23,00
23,00
32,00
32,00
74,00
74,00

12,60
40,00
17,20
11,00
7,40
7,40
6,50
6,50
8,00
8,00
5,30
5,30
7,00
7,00

130
350
350
350
350
350
350
350
400
400
450
450
500
500

350
600
600
600
600
600
600
600
750
750
800
800
900
900

4,00
6,50
6,50
9,70
9,70
12,00
9,70
12,00
17,00
19,30
23,00
25,30
35,00
37,30

Attention: CE Certification not for MC 27...!

All indications are only valid in case of mounting to sufficiently dimensioned heatsinks.

+ hollow shaft:  The F-motors are also available with a hollow shaft.
* with fan:  

The data for motors with forced ventilation are based on an amount of air of 600 l/min.

 

Protection:  

All motors equipped with FC-tachos: IP 44

Motors with fans: IP 20

Isolation class:  F

The motors are also available as complete units with brakeoptical encoder and tacho.

Please take into consideration that for many types of the series MC the serie GDM... are available as alternative.

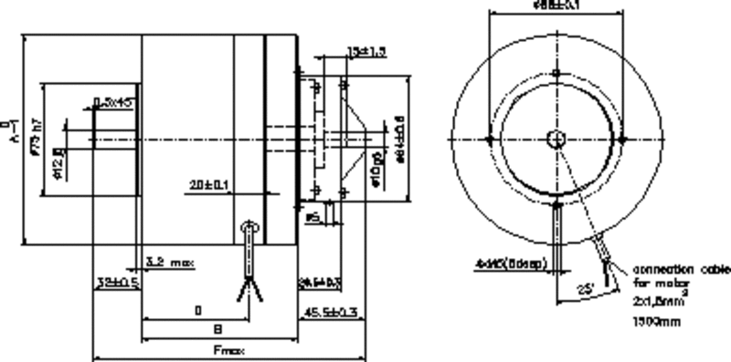
Dimensions

  • Motors series F...
  • Motors series F... + Tacho

Dimensions: motors series F

 

 

Motortype

Tachotype

ØA-1

B

D

ØE

Fmax.

G

H

Jmax.

F9M4

F9T

110

94,05 ±0,55

62,5 ±0,2

12j5

172,5

 
 

52,5

+0,3

-0,2

 
 

13,5

115,0

F9M4H

F9T

110

105,5 ±0,55

74,0 ±0,2

10g6

184,0

 
 

64,0

+0,3

-0,2

 
 

13,5

126,5

F9M4R

F9T

110

75,5 ±0,55

44,0 ±0,2

12j5

154,0

 
 

34,0

+0,25

-0,20

 
 

16,0

96,5

F12M2

FC12T

140

103,35 ±0,5

71,5 ±0,2

12j5

181,8

 
 

61,5

+0,2

-0,3

 
 

12,0

124,0

F12M4

FC12T

140

103,35 ±0,5

71,5 ±0,2

12j5

181,8

 
 

61,5

+0,2

-0,3

 
 

12,0

124,0

F12M4H

FC12T

140

116,05 ±0,5

84,0 ±0,2

12j5

194,6

 
 

74,0

+0,4

-0,1

 
 

14,0

136,5

F12M4R

FC12T

140

76,7 ±0,55

44,7 ±0,2

12j5

155,2

 
 

34,7

+0,7

-0,1

 
 

17,8

97,2

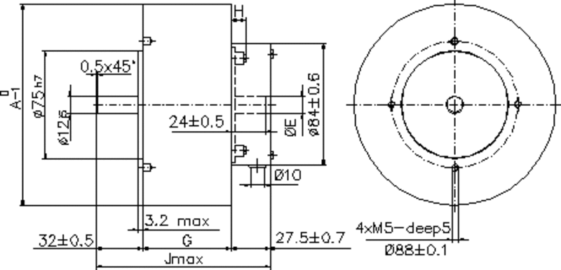
Dimensions of series MC

  • MC13S+Tacho
  • MC17/19 +Tacho
  • MC23/MC24+Tacho
  • MC27+Tacho

Disk armature motors series F and MC

Motortype

article-code

with Tacho

article-code

Suitable amplifiers

F9M4

MF9M4

F9T

MF9M4TF9T

MTR 24...70/8-20

F9M4H

MF9M4H

F9T

MF9M4HTF9T

MTR 24...70/8-20

F9M4R

MF9M4R

F9T

MF9M4RTF9T

MTR 24...70/8-20

F12M2

MF12M2

FC12T

MF12M2TFC12T

MTRL 24/30B

F12M4

MF12M4

FC12T

MF12M4TFC12T

MTR 24...70/8-20

F12M4H

MF12M4H

FC12T

MF12M4HTFC12T

MTR 24...70/8-20

F12M4R

MF12M4R

FC12T

MF12M4RTFC12T

MTR 24...70/8-20

MC13S

MMC13SB14

FC11T

MMC13STFC11T

MTR 24...70/8-20

MC17B

MMC17BB14

FC12T

MMC17BTFC12TB14

MTRL 24/30B

MC17H

MMC17HB14

FC12T

MMC17HTFC12TB14

MTR 105/7-14                

MC19B

MMC19BB14

FC12T

MMC19BTFC12TB14

MTRL 24/30B

MC19P

MMC19PB14

FC12T

MMC19PTFC12TB14

MTR 24...105/X2E

MC19S

MMC19PB14

FC12T

MMC19STFC12TB14

MU3V 170/10-20

MC23S

MMC23SB14

FC12T

MMC23STFC12TB14

MTR 2800 170/17-42

MC24P

MMC24PB14

FC12T

MMC24PTFC12TB14

MTR 5000 170/25-80

MC27P

MMC27PB14

FC12T

MMC27PTFC12TB14

MTR 5000 170/40-120