Optische Impulsgeber Serie HEDS, HEDL

  • Mattke Optische Impulsgeber der Serie HEDS und HEDL
    Optische Impulsgeber HEDS, HEDL

Technische Daten

Einheit

HEDS 5500

HEDS 5540

HEDL 5540

lieferbare Strichzahlen

 

500

500

500

Maximale Drehzahl

Upm

4.000

4.000

4.000

Betriebsspannung

V

4,5 bis 5,5

4,5 bis 5,5

4,75 bis 5,25

Stromaufnahme

mA

40

40

100

Signalform

 

2 x Rechteck

2 x Rechteck + Referenz

2 x Rechteck + Referenz + antivalente Signale

Treiber

 

 

 

AM26LS31

empfohlener Empfänger IC's

 

 

 

MC3486 / SN75175 / AM26LS32

Ausgangsstrom High

mA

max. 5

max. 5

max. 20

Ausgangsstrom Low

mA

max. -1

max. -1

max. -20

Ausgangsspannung High

V

min. 4

min. 4

 

Ausgangsspannung Low

V

max. 0,5

max. 0,4

 

Temperaturbereich

°C

-40 bis +100

-40 bis +100

0 bis 70

Grenzfrequenz

kHz

100

100

100

angebaut an Tacho

Typ

T505

T505

T3540/3

T505

Massenträgheitsmoment:

gcm²

2,25

2,05

18,4

2,05

Reibungsdrehmoment:

Nm

0,1

0,1

0,19

0,1

Maximale Wellenbelastbarkeit axial

N

0,2

0,2

2

0,2

Maximale Wellenbelastbarkeit radial

N

1,2

1,2

20

1,2

Gewicht

g

75

75

210

75

Artikel-Nummer

 

OHEDS5500/500

OHEDS5540/500

OHEDL5540-xx (xx = Durchmesser; 2-6mm)

Mit Spritzwasserabdeckung und weitere Impulszahlen auf Anfrage.

 

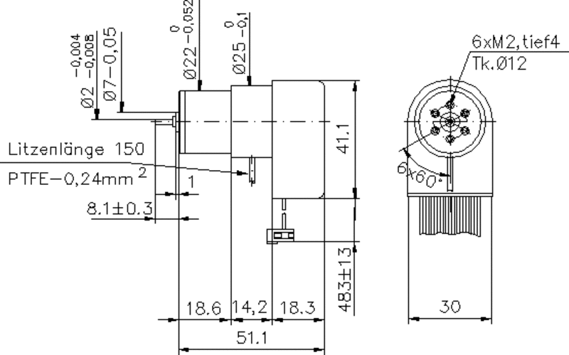
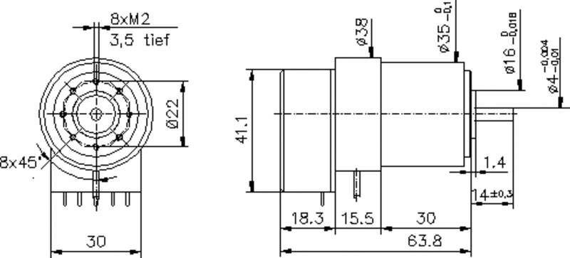
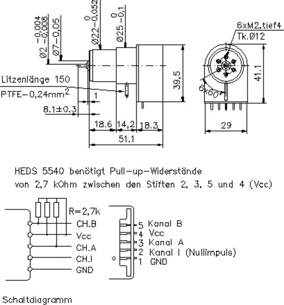
Maßzeichnungen

  • Mattke Optische Impulsgeber der Serie HEDS und HEDL
    T3540/3 + HEDS 5500, 5540
  • T505 + HEDL 5540
  • T505 + HEDS 5500, 5540
Kabelbelegung HEDL
Nr. Farbe Bezeichnung
1 braun N.C.
2 rot Vcc
3 orange GND
4 gelb N.C.
5 grün Kanal A'
6 blau Kanal A
7 violett Kanal B'
8 grau Kanal B
9 weiß Kanal 0' (Index)
10 grau Kanal 0 (Index)