
Gear type |
| PD 040 | PD 065 | PD 085 | i | z |
Nominal | Nm | 4 | 14 | 45 | 4 |
1 |
4.5 | 16 | 45 | 5 | |||
4.5 | 15 | 43 | 7 | |||
- | 14 | 35 | 10 | |||
5 | 19 | 55 | 16 |
2 | ||
5 | 19 | 55 | 20 | |||
5 | 21 | 58 | 25 | |||
5 | 21 | 55 | 28 | |||
5 | 21 | 58 | 35 | |||
- | 21 | 55 | 40 | |||
- | 21 | 58 | 50 | |||
- | 17 | 50 | 70 | |||
- | 16 | 35 | 100 | |||
Backlash | arcmin | 20' | 12' | 10' | 1 stage | |
25' | 15' | 15' | 2 stages | |||
Emergency | T2NOT | 2 - double T2N
| ||||
Maximum radial load |
| 200 | 700 | 2,000 |
| |
Maximum axial load |
| 200 | 800 | 1,600 |
| |
Efficiency | % | 95 | 97 | 96 | 1 stage | |
92 | 94 | 93 | 2 stages | |||
Service life | h | 10,000
| ||||
Article code |
| GPD040IXXX | GPD065IXXX | GPD080IXXX |
| |
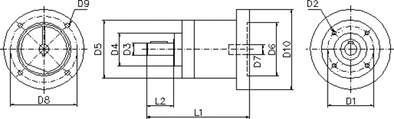
Gear type |
| PD 040 | PD 065 | PD 085 | ||||||
Gear stages |
| 1 | 2 | 1 | 2 | 1 | 2 | |||
D1 Flange hole circle |
| 33 | 52 | 70 | ||||||
D2 Thread | 4x | M4 x 8 | M5 x 10 | M6 x 12 | ||||||
D3 Shaft diameter | k6 | 10 | 14 | 20 | ||||||
D4 Centring | h7 | 25 | 40 | 55 | ||||||
D5 Housing diameter |
| 40 | 65 | 85 | ||||||
D6 Centring for motor |
| 50 | 60 | 70 | ||||||
D7 Drilling |
| 9 | 11 | 14 | ||||||
D8 Hole circle |
| 65 | 75 | 85 | ||||||
D9 Drilling |
| 5,5 | 5,5 | 6,6 | ||||||
D10 Flange diameter |
| 80 | 90 | 105 | ||||||
L1 Total length |
| 88 | 104 | 115 | 136 | 147 | 177 | |||
L2 Shaft length |
| 23 | 30 | 40 | ||||||
All dimensions in mm | ||||||||||