Planetary gears Series PG 38/1, 38/2

  • Planetary gears Series PG 38/1, 38/2
    Planetary gears Series PG 38/1, 38/2


Article code: GP038/1Ixxxxxx, GP038/2Ixxxxxx (xxxxxx = ratio i)

Maximum input speed:

3,000rpm

Backlash (unloaded):

<= 1°

Maximum shaft loading

axial:

<= 300N

radial 10mm from flange:  

<= 300N

Temperature:

-20°C to +125°C

Technical data:

Ratio
i

Nominal
torque
Mn in Nm

Pulsed
torque
Mi in Nm

Efficiency
%

Weight
without motor
g

Length L1
without motor
mm

3.71

6.0

8.0

88

200

32.3

14

0.4 (10)

0.6 (15)

80

228

40.1

43

1.4 (10)

1.9 (15)

70

282

47.9

66

2.2 (10)

2.9 (15)

70

282

47.9

134

4.5 (10)

6.0 (15)

60

336

55.7

159

5.3 (10)

7.0 (15)

60

336

55.7

246

8.2 (10)

11.0 (15)

60

336

55.7

415

10.0 (10)

15.0 (15)

55

490

63.5

592

10.0 (10)

15.0 (15)

55

490

63.5

989

10.0 (10)

15.0 (15)

55

490

63.5

1,526

10.0 (10)

15.0 (15)

55

490

63.5

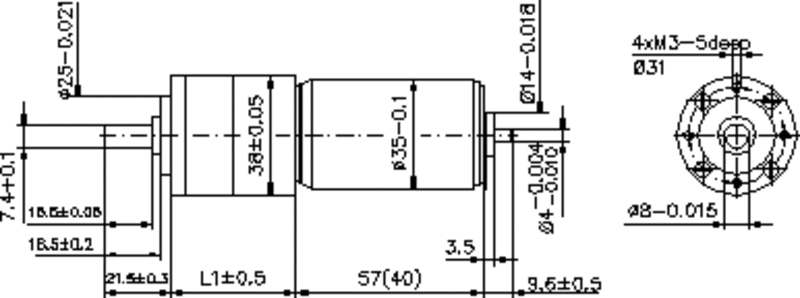
Dimensions:

  • PG 38/1 + M 3557 (M 3540)
  • PG 38/2 + M 3557 (M 3540)

 

Gears with a reduction >= 14:1 have plastic gear wheels in the input stage. For a longer durability required gears with exclusively metal gear wheels and special grease (Gear 38/1S and 38/2S). Are available. The torque values in brackets refer to the 38/1S and 38/2S gear type with metal gear wheels.


38/1 = Flange B5
38/2 = Flange B14

Please indicate required flange with your order!