Spur gears Series SAG 16/5

  • Spur gears Series SAG 16/5
    Spur gears Series SAG 16/5

Article code: GS16/5Ixxxxxx (xxxxxx = ratio i)

Maximum input speed:  

5.000rpm

Backlash (unloaded):  

<= 3°

Shaft loading

axial:

<= 5N

radial, 10mm from flange:  

<= 25N

Technical Data:

Ratio
i

Nominal
torque
Mn in Ncm

Pulsed
torque
Mi in Ncm

Efficiency
%

Weight
without motor
g

Length L1 with
motor
1624E
mm

6.3

6

15

83

17

37.1

11.8

6

15

83

17

37.1

22

6

15

75

18

40.8

41

6

15

75

18

40.8

76

10

30

68

19

42.9

141

10

15

68

19

42.9

262

10

30

61

20

45.0

485

10

15

61

20

45.0

900

10

30

54

21

47.1

1,670

10

15

54

21

47.1

3,101

10

30

49

22

49.2

5,752

10

15

49

22

49.2

10,683

10

30

44

23

51.3

19,813

10

15

44

23

51.3

36,796

10

30

40

24

53.4

68,245

10

15

40

24

53.4

126,741

10

30

39

25

55.5

235,067

10

15

39

25

55.5

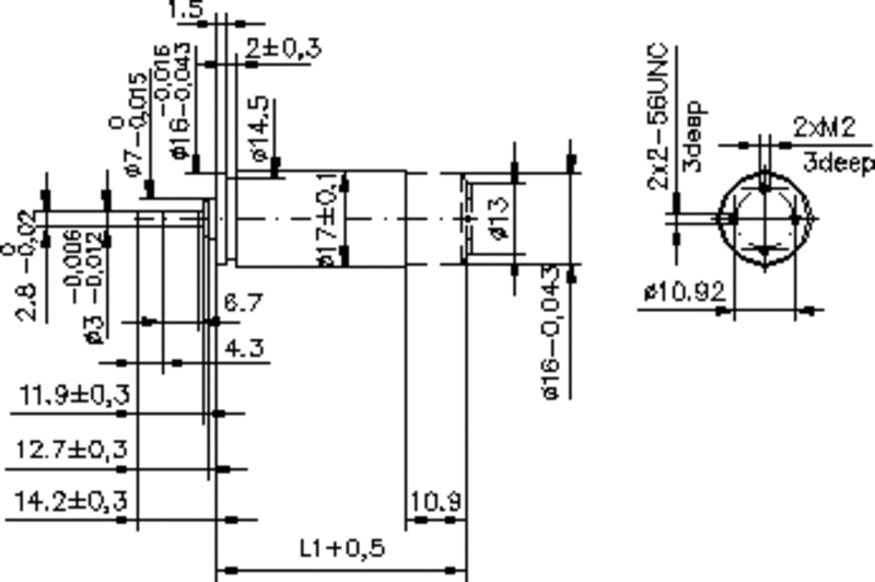
Dimensions:

  • SAG 16/5 + M1624E