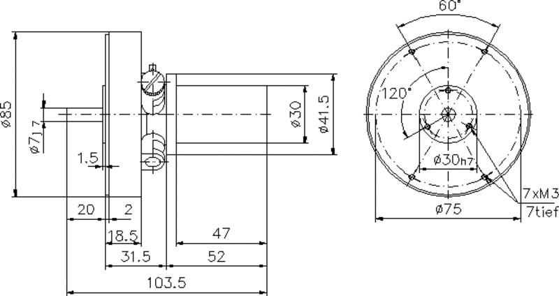
Serie GDM von 0,08 bis 1,90 Nm

Motortyp | Daten | Mn | Nn | Pn | Un | In | Ke | Kt | R | L | J | tm | Fa | Fr | m | Artikel-Nummer |
12Z |
| 0,160 | 3.500 | 59 | 24 | 3,7 | 5,50 | 0,052 | 1,50 | 0,07 | 2,30 | 110,0 | 170 | 220 | 1,25 |
|
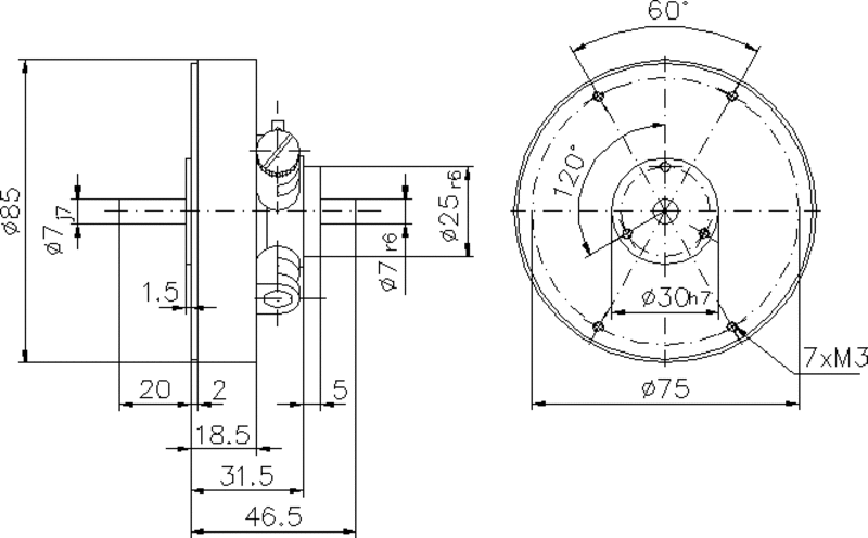
75Z |
| 0,045 | 3.000 | 14 | 24 | 1,1 | 5,40 | 0,052 | 7,50 | 1,20 | 0,50 | 126,0 | 75 | 120 | 0,48 |
|
120F |
| 0,300 | 4.000 | 126 | 24 | 8,8 | 4,30 | 0,041 | 0,60 | 0,05 | 2,60 | 90,0 | 290 | 310 | 2,60 |
|
120N |
| 0,750 | 3.200 | 270 | 24 | 15,0 | 5,80 | 0,056 | 0,22 | 0,05 | 3,60 | 27,3 | 290 | 310 | 3,00 |
|
120N2 | 1,100 | 3.000 | 350 | 24 | 17,1 | 7,20 | 0,069 | 0,09 | 0,01 | 3,60 | 6,8 | 290 | 310 | 3,00 |
| |
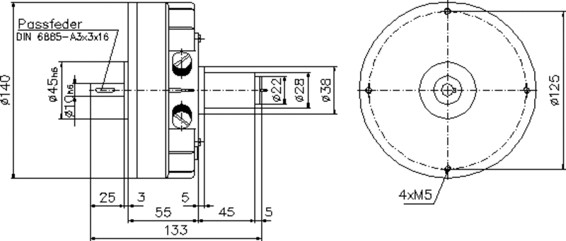
140 |
| 1,200 | 3.000 | 370 | 79 | 6,2 | 23,70 | 0,226 | 0,90 | 0,04 | 5,10 | 8,5 | 300 | 300 | 6,00 |
|
160 | 1,900 | 3.000 | 600 | 108 | 6,7 | 33,30 | 0,318 | 0,92 | 0,11 | 8,80 | 7,7 | 300 | 300 | 8,00 | MGDM160/816/063 |
Die Motoren sind auch mit optischem Impulsgeber lieferbar.
| Passender Tacho | T 505 zu GDM 75Z bis 120F |
| Isolationsklasse | F |
| Schutzart | IP 44 |